資料一覧
-
ISO9001登録証(和文)
- ISO・審査登録証
-
ISO9001登録証(英文)
- ISO・審査登録証
-
ISO14001登録証(和文)
- ISO・審査登録証
-
ISO14001登録証(英文)
- ISO・審査登録証
-
JIS鉄鋼製品認証書(和文)
- JIS認証書
-
JIS鉄鋼製品認証書(英文)
- JIS認証書
-
JIS石灰認証書(和文)
- JIS認証書
-
JIS石灰認証書(英文)
- JIS認証書
-
ゆいくる材(フープ筋)
- ゆいくる材認定証
-
ゆいくる材(異形棒鋼)
- ゆいくる材認定証
-
ゆいくる材(高強度異形棒鋼)
- ゆいくる材認定証
-
ゆいくる材(再生砕砂)
- ゆいくる材認定証
-
ゆいくる材(電気炉スラグRC-40)
- ゆいくる材認定証
-
高強度異形棒鋼SPR785認定書
- 大臣認定
-
溶融亜鉛めっき鉄筋認定書(SD295A)
- 大臣認定
-
溶融亜鉛めっき鉄筋認定書(SD345G)
- 大臣認定
-
消石灰(和文)
- SDS
-
消石灰(英文)
- SDS
-
生石灰(和文)
- SDS
-
生石灰(英文)
- SDS
-
鉄筋(和文)
- SDS
-
鉄筋(英文)
- SDS
-
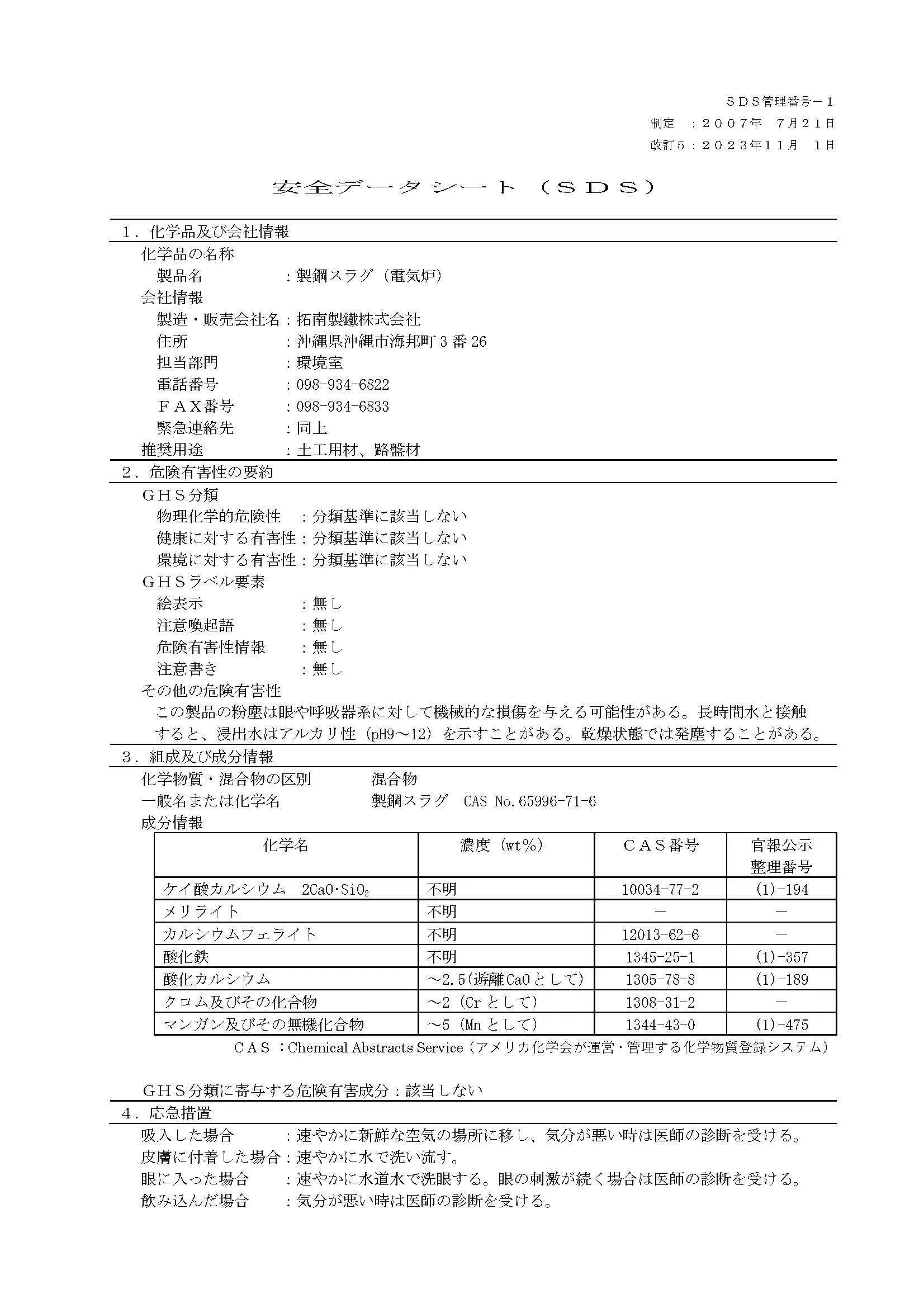
製鋼スラグ(和文)
- SDS
-
会社案内
- その他
-
T-コンフープ評定書
- その他
-
パワーリング785評定書
- その他
-
優良溶接せん断補強筋製造会社認定書
- その他